Gruner 227-024-05-S1/RUS
Электропривод Gruner 227-024-05-S1/RUS для водяных и воздушных клапанов
Электропривод Gruner (Грюнер) 227-024-05-S1/RUS специально разработан для использования с воздушными заслонками и вентилями в системах вентиляции, имеет кнопку ручного управления, механический ограничитель угла поворота, кнопку установки направления вращения.
Электропривод GRUNER 227-024-05-S1 предназначен для настройки и управления клапанами. Привод должен устанавливаться в сухой среде, абсолютно свободной от агрессивных веществ. В случае наружного монтажа привод должен быть соответствующим образом защищен от внешних воздействий.
Электропривод с универсальным креплением скобой.
Работа регулируется 2-х/3-х позиционным переключением, т.е. открыто/закрыто, открыто/закрыто/промежуточное положение.
Особенности электроприводов Gruner 227-024-05-S1/RUS для водяных и воздушных клапанов
- благодаря малым размерам и продуманной компактной конструкции электропривод легко устанавливать в ограниченном монтажном пространстве;
- 2/3-х позиционное управление;
- привод снабжен винтовыми клеммами: не требуются разъемы;
- удобный универсальный фиксатор вала;
- индикация положения;
- возможно ручное управление;
- выбор направления вращения;
- возможность параллельного подключения приводов;
- ограничение угла поворота;
- не требуется обслуживание.
Указания по безопасности применения электроприводов Gruner 227-024-05-S1/RUS
- Используйте приводы только в целях, для которых они предназначены.
- Все работы с приводами (монтаж, электрические соединения, модификация и ремонт) должны производиться при отключенном электропитании.
- Подвод электропитания должен выполняться компетентным персоналом при соблюдении действующих правил.
- Приводы не пригодны для использования во взрывоопасной среде.
- С безопасно низким напряжением работают только версии на 24 В.
- Подключение привода на 24 В к напряжению в 230 В разрушит привод.
Назначение
- Для воздушных клапанов
- Для водяных клапанов
Возвратная пружина
Пружина обеспечивает аварийное открытие или закрытие клапана для защиты оборудования при отсутствии электропитания
Нет
Момент вращения (Нм)
5
Тип управления
- 2-х позиционное
- 3-х позиционное
Время срабатывания (сек)
60 - 120
Угол вращения
95°
Температурный диапазон эксплуатации (°C)
- 20 ~ + 50
Питание и защита
Напряжение (В)
24
Частота тока (Гц)
50-60
Класс электрозащиты
III
Класс пылевлагозащиты
IP 54
Габариты и вес
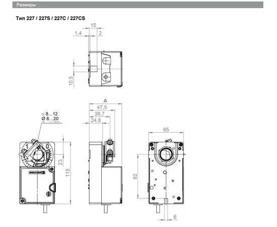
Габариты прибора (мм)
145х65х61
Габариты упаковки (мм)
70х220х130
Производитель
Бренд
Gruner
Серия
227
Страна производитель
Германия
Гарантия
2 года
Видео о Gruner 227-024-05-S1/RUS
Отзывы о Gruner 227-024-05-S1/RUS от реальных покупателей
Отзывы не найдены
