Решётка щелевая РЩ-1-1-46-100

Щелевая решётка вентиляционная РЩ-1-1-46-100 с жалюзи и ламелями

Написать отзыв
Задать вопрос
MX89WT

  

Типоразмер, мм46х100 ТипЩелевая МатериалАлюминий ЦветБелый БрендНеватом

Щелевая решётка вентиляционная РЩ-1-1-46-100 с жалюзи и ламелями

Все характеристики

489 
+
Отложить
Есть вопросы или нужен счёт?
Наши преимущества
  • - Официальный дилер более 110 брендов
  • - Только оригинальная заводская продукция
  • - Прямые поставки без посредников
  • - Рекомендованные цены производителя
  • - Официальная заводская гарантия
  • - Более 55 000 позиций в наличии и под заказ
  • - Технический паспорт, сертификат
  • - Возврат и обмен
Варианты оплаты
Доставка
Стоимость и сроки доставки:

Решётка щелевая вентиляционная РЩ-1-1-46-100 1-го исп. с жалюзи и ламелями

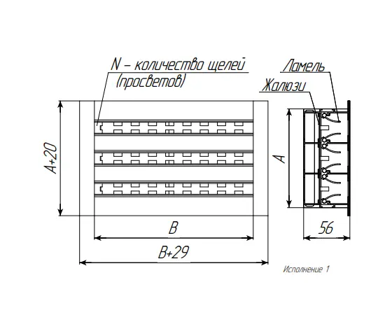
Решётка щелевая РЩ-1-1-46-100 купить в ИркутскеРешетки РЩ-1-1-46-100 предназначены для работы в системах приточной вентиляции. Оснащены жалюзи для регулирования расхода воздуха и ламелями, позволяющими изменять направление движения воздушной струи.

Решетки изготавливают из алюминиевого профиля. В конструкцию закладывают от 1 до 6 щелей.

Щелевые решетки крепят с помощью клипс и врезки. Ее монтируют к камере статического давления (адаптеру). Врезку и адаптер заказывают отдельно.

Стандартное окрашивание решетки: рама – белого цвета (RAL9016), жалюзи и ламели, если они есть, – черного (RAL9005). По заказу возможна окраска в другой цвет по каталогу RAL.

Другие варианты исполнения щелевой решетки РЩ-1-1-46-100:

  • 2-го исп. с ламелями, без жалюзи.

Предназначены для работы в системах приточной вентиляции. Изделия не имеют жалюзи для регулирования расхода воздуха, но оснащены ламелями, позволяющими изменять направление движения воздушной струи. Отсутствие жалюзи снижает аэродинамическое сопротивление РЩ, что позволяет использовать их для раздачи больших расходов воздуха дальнобойными струями.

  • 3-го исп. с жалюзи, без ламелей.

Предназначены для работы в системах приточно-вытяжной вентиляции. Изделия оснащены жалюзи для регулировки расхода проходящего воздуха, но не имеют ламелей, которые бы изменяли направление движения воздушного потока.

  • 4-го исп. без жалюзи и ламелей.

Предназначены для работы в системе вытяжной вентиляции. Имеют конструктивные особенности: отсутствуют жалюзи, используемые для регулирования расхода воздуха, и ламели, позволяющие изменять направление потока.

Типоразмер, мм
  • 46х100
Тип
Щелевая
Материал
Алюминий
Цвет
Белый
Канал
  • Прямоугольный
Производитель
Бренд
Неватом
Родина бренда
Россия
Страна производитель
Россия
Найти похожие

 

 

 

Видео о Решётка щелевая РЩ-1-1-46-100

    

Отзывы о Решётка щелевая РЩ-1-1-46-100 от реальных покупателей

Отзывы не найдены

  Артикул Типоразмер (мм) Цвет Цена  
Решётка щелевая РЩ-1-1-46-100, Типоразмер (мм): 46х100, Цвет: Белый
MX89WT
46х100 Белый 489 
+
Решётка щелевая РЩ-1-1-46-700, Типоразмер (мм): 46х700, Цвет: Белый
WT11ZL
46х700 Белый 1 812 
+
Решётка щелевая РЩ-1-2-83-700, Типоразмер (мм): 83х700, Цвет: Белый
XU99BH
83х700 Белый 3 064 
+
Решётка щелевая РЩ-1-2-83-1500, Типоразмер (мм): 83х1500, Цвет: Белый
MC54RK
83х1500 Белый 5 684 
+
Решётка щелевая РЩ-1-2-83-100, Типоразмер (мм): 83х100, Цвет: Белый
EF92NH
83х100 Белый 729 
+
Решётка щелевая РЩ-1-3-120-100, Типоразмер (мм): 120х100, Цвет: Белый
HU99LN
120х100 Белый 972 
+
Решётка щелевая РЩ-1-3-120-1500, Типоразмер (мм): 120х1500, Цвет: Белый
UU88WL
120х1500 Белый 8 121 
+
Решётка щелевая РЩ-1-4-157-1500, Типоразмер (мм): 157х1500, Цвет: Белый
YE45CO
157х1500 Белый 10 565 
+
Решётка щелевая РЩ-1-1-46-1500, Типоразмер (мм): 46х1500, Цвет: Белый
BN10QE
46х1500 Белый 3 251 
+
Решётка щелевая РЩ-1-3-120-700, Типоразмер (мм): 120х700, Цвет: Белый
LS10WS
120х700 Белый 4 319 
+
Решётка щелевая РЩ-1-6-231-100, Типоразмер (мм): 231х100, Цвет: Белый
NK31LY
231х100 Белый 1 729 
+
Решётка щелевая РЩ-1-5-194-1500, Типоразмер (мм): 194х1500, Цвет: Белый
QD35LP
194х1500 Белый 13 018 
+
Решётка щелевая РЩ-1-5-194-100, Типоразмер (мм): 194х100, Цвет: Белый
SY94NK
194х100 Белый 1 472 
+
Решётка щелевая РЩ-1-6-231-1500, Типоразмер (мм): 231х1500, Цвет: Белый
YB37DE
231х1500 Белый 15 477 
+
Решётка щелевая РЩ-1-4-157-100, Типоразмер (мм): 157х100, Цвет: Белый
PE12RS
157х100 Белый 1 219 
+
Решётка щелевая РЩ-1-6-231-700, Типоразмер (мм): 231х700, Цвет: Белый
MI06VW
231х700 Белый 8 133 
+
Решётка щелевая РЩ-1-4-157-700, Типоразмер (мм): 157х700, Цвет: Белый
NA43IT
157х700 Белый 5 583 
+
Решётка щелевая РЩ-1-5-194-700, Типоразмер (мм): 194х700, Цвет: Белый
AG27RW
194х700 Белый 6 856 
+
Возможно, вас это заинтересует
  • Похожие товары
  • Недавно просмотренные
Доставка по Иркутску, Иркутской области и России.

Бесплатная доставка по Иркутску и до транспортной компании от 5 000 руб.

Официальный представитель более 110 брендов.

Прямые поставки без посредников, низкие цены и официальная гарантия производителя.

Более 55 000 позиций в наличии и под заказ.

Технический паспорт, сертификаты. Работаем по ЭДО. Персональный менеджер. Корректный подбор оборудования.