Решётка щелевая РЩ-1-2-83-1500
Решётка щелевая вентиляционная РЩ-1-2-83-1500 1-го исп. с жалюзи и ламелями
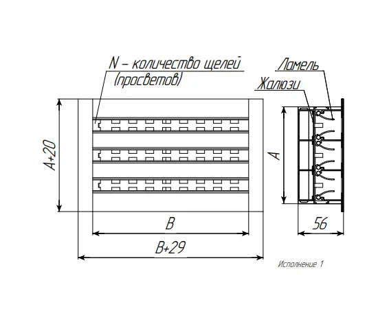
Решетки РЩ-1-2-83-1500 предназначены для работы в системах приточной вентиляции. Оснащены жалюзи для регулирования расхода воздуха и ламелями, позволяющими изменять направление движения воздушной струи.
Решетки изготавливают из алюминиевого профиля. В конструкцию закладывают от 1 до 6 щелей.
Щелевые решетки крепят с помощью клипс и врезки. Ее монтируют к камере статического давления (адаптеру). Врезку и адаптер заказывают отдельно.
Стандартное окрашивание решетки: рама – белого цвета (RAL9016), жалюзи и ламели, если они есть, – черного (RAL9005). По заказу возможна окраска в другой цвет по каталогу RAL.
Другие варианты исполнения щелевой решетки РЩ-1-2-83-1500:
- 2-го исп. с ламелями, без жалюзи.
Предназначены для работы в системах приточной вентиляции. Изделия не имеют жалюзи для регулирования расхода воздуха, но оснащены ламелями, позволяющими изменять направление движения воздушной струи. Отсутствие жалюзи снижает аэродинамическое сопротивление РЩ, что позволяет использовать их для раздачи больших расходов воздуха дальнобойными струями.
- 3-го исп. с жалюзи, без ламелей.
Предназначены для работы в системах приточно-вытяжной вентиляции. Изделия оснащены жалюзи для регулировки расхода проходящего воздуха, но не имеют ламелей, которые бы изменяли направление движения воздушного потока.
- 4-го исп. без жалюзи и ламелей.
Предназначены для работы в системе вытяжной вентиляции. Имеют конструктивные особенности: отсутствуют жалюзи, используемые для регулирования расхода воздуха, и ламели, позволяющие изменять направление потока.
- 83х1500
- Прямоугольный
Видео о Решётка щелевая РЩ-1-2-83-1500
Отзывы о Решётка щелевая РЩ-1-2-83-1500 от реальных покупателей
Отзывы не найдены
| Артикул | Типоразмер (мм) | Цвет | Цена | ||
|---|---|---|---|---|---|
|
|
MX89WT
|
489 ₽ | |||
|
|
WT11ZL
|
1 812 ₽ | |||
|
|
XU99BH
|
3 064 ₽ | |||
|
|
MC54RK
|
5 684 ₽ | |||
|
|
EF92NH
|
729 ₽ | |||
|
|
HU99LN
|
972 ₽ | |||
|
|
UU88WL
|
8 121 ₽ | |||
|
|
YE45CO
|
10 565 ₽ | |||
|
|
BN10QE
|
3 251 ₽ | |||
|
|
LS10WS
|
4 319 ₽ | |||
|
|
NK31LY
|
1 729 ₽ | |||
|
|
QD35LP
|
13 018 ₽ | |||
|
|
SY94NK
|
1 472 ₽ | |||
|
|
YB37DE
|
15 477 ₽ | |||
|
|
PE12RS
|
1 219 ₽ | |||
|
|
MI06VW
|
8 133 ₽ | |||
|
|
NA43IT
|
5 583 ₽ | |||
|
|
AG27RW
|
6 856 ₽ |
