Тепломаш ВО-4М300B

Осевой вентилятор Тепломаш ВО-4М300B с настенной панелью (1845 м3)
Написать отзыв
Задать вопрос
4903

  

С настенной панелью
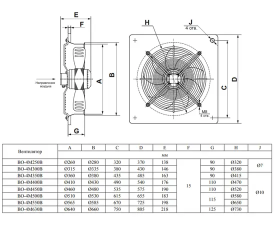
Диаметр (мм)300 Производительность (м³/ч), max1845 Потребляемая мощность (Вт)85 Напряжение (В)220 Макс. давление (Па)122-32 Уровень шума (дБ):60 БрендТепломаш Гарантия1 год
Осевой вентилятор Тепломаш ВО-4М300B с настенной панелью (1845 м3)

Все характеристики

12 270 
+
Отложить
Есть вопросы или нужен счёт?
Наши преимущества
  • - Официальный дилер более 110 брендов
  • - Только оригинальная заводская продукция
  • - Прямые поставки без посредников
  • - Рекомендованные цены производителя
  • - Официальная заводская гарантия
  • - Более 55 000 позиций в наличии и под заказ
  • - Технический паспорт, сертификат
  • - Возврат и обмен
Варианты оплаты
Доставка

Осевой вентилятор Тепломаш ВО-4М300B с с защитной решеткой и настенной панелью (тип В) 1845 м3/ч

 
Назначение вентилятора Тепломаш ВО-4М300B с защитной решеткой и настенной панелью: системы вентиляции производственных, общественных и жилых зданий, холодильная техника, другие технологические установки: перемещение воздуха не содержащего липких веществ и волокнистых материалов, с концентрацией пыли и других твёрдых примесей не более 10 мг/м3
 

Особенности вентилятора ВО-4М300B

  • ТУ 4861-034-54365100-2013
  • низкого давления
  • внешнероторный электродвигатель
  • лопатки приварены к ротору
  • количество лопаток – 5
  • крепление статора к защитной решётке
  • направление потока от решётки на рабочее колесо или от колеса на решетку
  • класс защиты – IP44
  • ротор имеет отверстие для отвода конденсата
  • ротор установлен на шарикоподшипниках, не требующих обслуживания
  • лопатки, решётка и ротор защищены чёрным лаковым покрытием
 

Условия эксплуатации вентилятора ВО-4М300B

 
Климатическое исполнение вентиляторов У2 по ГОСТ 15150-69 (температура окружающей среды от -30 °С до +40 °С).
 
Производительность (м³/ч):
430-1845
Диаметр (мм)
  • 300
Производительность (м³/ч), max
1845
Частота вращения (об/мин)
1380
Макс. давление (Па)
122-32
Уровень шума (дБ):
60
Температура перемещаемой среды (°С)
-30 +60
Серия
С настенной панелью
Материал корпуса
Сталь
Регулировка скорости вращения
  • Опция
Питание и защита
Напряжение (В)
220
Частота тока (Гц)
50
Сила тока (А)
0,42
Потребляемая мощность (Вт)
85
Класс пылевлагозащиты
IP 44
Габариты и вес
Вес (кг)
3
Габариты прибора (мм)
430х430х146
Производитель
Бренд
Тепломаш
Родина бренда
Россия
Страна производитель
Россия
Гарантия
1 год
Найти похожие

 

 

Видео о Тепломаш ВО-4М300B

    

С этим товаром обычно покупают:
1
2608
Симисторный регулятор скорости SRM 1A (поверхностный монтаж)
ТипСимисторный
5 580 
В наличии
+
2614
Симисторный регулятор скорости SRM-S 1A (скрытый монтаж)
ТипСимисторный
5 370 
В наличии
+
4
НС-0084730n
Плавный регулятор скорости в корпусе Shuft SRE-2,5 для однофазных вентиляторов
ТипТиристорный
2 250 
В наличии
+

Отзывы о Тепломаш ВО-4М300B от реальных покупателей

Отзывы не найдены

  Артикул Диаметр Питание Серия Цена  
Тепломаш ВО-4М450B, Диаметр: 450 мм, Питание: 220 В (1Ф), Серия: С настенной панелью
4906
450 мм 220 В (1Ф) С настенной панелью 19 290 
+
Тепломаш ВО-4М250B, Диаметр: 250 мм, Питание: 220 В (1Ф), Серия: С настенной панелью
4902
250 мм 220 В (1Ф) С настенной панелью 10 740 
+
Тепломаш ВО-4Т560A, Диаметр: 560 мм, Питание: 380 В (3Ф), Серия: С защитной решёткой
4898
560 мм 380 В (3Ф) С защитной решёткой 27 480 
+
Тепломаш ВО-4М630B, Диаметр: 630 мм, Питание: 220 В (1Ф), Серия: С настенной панелью
4909
630 мм 220 В (1Ф) С настенной панелью 43 720 
+
Тепломаш ВО-4М550С, Диаметр: 550 мм, Питание: 220 В (1Ф), Серия: Фланцевые
4928
550 мм 220 В (1Ф) Фланцевые 34 400 
+
Тепломаш ВО-4М550B, Диаметр: 550 мм, Питание: 220 В (1Ф), Серия: С настенной панелью
4908
550 мм 220 В (1Ф) С настенной панелью 30 610 
+
Тепломаш ВО-4М600A, Диаметр: 600 мм, Питание: 220 В (1Ф), Серия: С защитной решёткой
4896
600 мм 220 В (1Ф) С защитной решёткой 30 460 
+
Тепломаш ВО-4М400A, Диаметр: 400 мм, Питание: 220 В (1Ф), Серия: С защитной решёткой
4892
400 мм 220 В (1Ф) С защитной решёткой 13 310 
+
Тепломаш ВО-4М300B, Диаметр: 300 мм, Питание: 220 В (1Ф), Серия: С настенной панелью
4903
300 мм 220 В (1Ф) С настенной панелью 12 270 
+
Тепломаш ВО-6Т800A, Диаметр: 800 мм, Питание: 380 В (3Ф), Серия: С защитной решёткой
4901
800 мм 380 В (3Ф) С защитной решёткой 79 840 
+
Тепломаш ВО-4М400С, Диаметр: 400 мм, Питание: 220 В (1Ф), Серия: Фланцевые
4924
400 мм 220 В (1Ф) Фланцевые 18 510 
+
Тепломаш ВО-6Т800B, Диаметр: 800 мм, Питание: 380 В (3Ф), Серия: С настенной панелью
4911
800 мм 380 В (3Ф) С настенной панелью 115 320 
+
Тепломаш ВО-4М500B, Диаметр: 500 мм, Питание: 220 В (1Ф), Серия: С настенной панелью
4907
500 мм 220 В (1Ф) С настенной панелью 26 790 
+
Тепломаш ВО-4М500С, Диаметр: 500 мм, Питание: 220 В (1Ф), Серия: Фланцевые
4927
500 мм 220 В (1Ф) Фланцевые 25 960 
+
Тепломаш ВО-4М450A, Диаметр: 450 мм, Питание: 220 В (1Ф), Серия: С защитной решёткой
4893
450 мм 220 В (1Ф) С защитной решёткой 14 700 
+
Тепломаш ВО-4М550A, Диаметр: 550 мм, Питание: 220 В (1Ф), Серия: С защитной решёткой
4895
550 мм 220 В (1Ф) С защитной решёткой 21 900 
+
Тепломаш ВО-6Т710B, Диаметр: 710 мм, Питание: 380 В (3Ф), Серия: С настенной панелью
4910
710 мм 380 В (3Ф) С настенной панелью 101 960 
+
Тепломаш ВО-4М500A, Диаметр: 500 мм, Питание: 220 В (1Ф), Серия: С защитной решёткой
4894
500 мм 220 В (1Ф) С защитной решёткой 19 880 
+
Тепломаш ВО-4М350С, Диаметр: 350 мм, Питание: 220 В (1Ф), Серия: Фланцевые
4923
350 мм 220 В (1Ф) Фланцевые 16 690 
+
Тепломаш ВО-4М450С, Диаметр: 450 мм, Питание: 220 В (1Ф), Серия: Фланцевые
4925
450 мм 220 В (1Ф) Фланцевые 19 770 
+
Тепломаш ВО-4М630С, Диаметр: 630 мм, Питание: 220 В (1Ф), Серия: Фланцевые
4929
630 мм 220 В (1Ф) Фланцевые 43 180 
+
Тепломаш ВО-4М630A, Диаметр: 630 мм, Питание: 220 В (1Ф), Серия: С защитной решёткой
4897
630 мм 220 В (1Ф) С защитной решёткой 31 080 
+
Тепломаш ВО-4М400B, Диаметр: 400 мм, Питание: 220 В (1Ф), Серия: С настенной панелью
4905
400 мм 220 В (1Ф) С настенной панелью 17 190 
+
Тепломаш ВО-4М300C, Диаметр: 300 мм, Питание: 220 В (1Ф), Серия: Фланцевые
4912
300 мм 220 В (1Ф) Фланцевые 12 570 
+
Тепломаш ВО-4Т630A, Диаметр: 630 мм, Питание: 380 В (3Ф), Серия: С защитной решёткой
4899
630 мм 380 В (3Ф) С защитной решёткой 31 080 
+
Тепломаш ВО-6Т710A, Диаметр: 710 мм, Питание: 380 В (3Ф), Серия: С защитной решёткой
4900
710 мм 380 В (3Ф) С защитной решёткой 72 100 
+
Тепломаш ВО-4М350B, Диаметр: 350 мм, Питание: 220 В (1Ф), Серия: С настенной панелью
4904
350 мм 220 В (1Ф) С настенной панелью 15 260 
+
Тепломаш ВО-4М300A, Диаметр: 300 мм, Питание: 220 В (1Ф), Серия: С защитной решёткой
4890
300 мм 220 В (1Ф) С защитной решёткой 9 670 
+
Тепломаш ВО-4М350A, Диаметр: 350 мм, Питание: 220 В (1Ф), Серия: С защитной решёткой
4891
350 мм 220 В (1Ф) С защитной решёткой 12 530 
+
Возможно, вас это заинтересует
  • Похожие товары
  • Недавно просмотренные
Доставка по Иркутску, Иркутской области и России.

Бесплатная доставка по Иркутску и до транспортной компании от 5 000 руб.

Официальный представитель более 110 брендов.

Прямые поставки без посредников, низкие цены и официальная гарантия производителя.

Более 55 000 позиций в наличии и под заказ.

Технический паспорт, сертификаты. Работаем по ЭДО. Персональный менеджер. Корректный подбор оборудования.