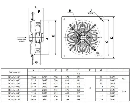
Тепломаш ВО-4М550B
Осевой вентилятор Тепломаш ВО-4М550B с с защитной решеткой и настенной панелью (тип В) 8510 м3
Назначение вентилятора Тепломаш ВО-4М550B с защитной решеткой и настенной панелью: системы вентиляции производственных, общественных и жилых зданий, холодильная техника, другие технологические установки: перемещение воздуха не содержащего липких веществ и волокнистых материалов, с концентрацией пыли и других твёрдых примесей не более 10 мг/м3
Особенности вентилятора ВО-4М550B
- ТУ 4861-034-54365100-2013
- низкого давления
- внешнероторный электродвигатель
- лопатки приварены к ротору
- количество лопаток – 5
- крепление статора к защитной решётке
- направление потока от решётки на рабочее колесо или от колеса на решетку
- класс защиты – IP44
- ротор имеет отверстие для отвода конденсата
- ротор установлен на шарикоподшипниках, не требующих обслуживания
- лопатки, решётка и ротор защищены чёрным лаковым покрытием
Условия эксплуатации вентилятора ВО-4М550B
Климатическое исполнение вентиляторов У2 по ГОСТ 15150-69 (температура окружающей среды от -30 °С до +40 °С).
Производительность (м³/ч):
4650-8510
Диаметр (мм)
- 550
Производительность (м³/ч), max
8510
Частота вращения (об/мин)
1300
Макс. давление (Па)
138-60
Уровень шума (дБ):
72
Температура перемещаемой среды (°С)
-30 +60
Серия
С настенной панелью
Материал корпуса
Сталь
Регулировка скорости вращения
- Опция
Питание и защита
Напряжение (В)
220
Частота тока (Гц)
50
Сила тока (А)
2,55
Потребляемая мощность (Вт)
550
Класс пылевлагозащиты
IP 44
Производитель
Бренд
Тепломаш
Родина бренда
Россия
Страна производитель
Россия
Гарантия
1 год
Видео о Тепломаш ВО-4М550B
С этим товаром обычно покупают:
Отзывы о Тепломаш ВО-4М550B от реальных покупателей
Отзывы не найдены
| Артикул | Диаметр | Питание | Серия | Цена | ||
|---|---|---|---|---|---|---|
|
|
4906
|
19 290 ₽ | ||||
|
|
4902
|
10 740 ₽ | ||||
|
|
4898
|
27 480 ₽ | ||||
|
|
4909
|
43 720 ₽ | ||||
|
|
4928
|
34 400 ₽ | ||||
|
|
4908
|
30 610 ₽ | ||||
|
|
4896
|
30 460 ₽ | ||||
|
|
4892
|
13 310 ₽ | ||||
|
|
4903
|
12 270 ₽ | ||||
|
|
4924
|
18 510 ₽ | ||||
|
|
4901
|
79 840 ₽ | ||||
|
|
4911
|
115 320 ₽ | ||||
|
|
4907
|
26 790 ₽ | ||||
|
|
4927
|
25 960 ₽ | ||||
|
|
4893
|
14 700 ₽ | ||||
|
|
4895
|
21 900 ₽ | ||||
|
|
4910
|
101 960 ₽ | ||||
|
|
4894
|
19 880 ₽ | ||||
|
|
4923
|
16 690 ₽ | ||||
|
|
4925
|
19 770 ₽ | ||||
|
|
4929
|
43 180 ₽ | ||||
|
|
4897
|
31 080 ₽ | ||||
|
|
4905
|
17 190 ₽ | ||||
|
|
4912
|
12 570 ₽ | ||||
|
|
4899
|
31 080 ₽ | ||||
|
|
4900
|
72 100 ₽ | ||||
|
|
4904
|
15 260 ₽ | ||||
|
|
4890
|
9 670 ₽ | ||||
|
|
4891
|
12 530 ₽ |
