Тепломаш ВВ-280
Кухонный вентилятор вытяжной Тепломаш ВВ-280

Корпус и откидная крышка вентилятора изготовлены из оцинкованной стали с наполнением шумоизолирующим материалом толщиной 40 мм. В конструкции корпуса предусмотрен штуцер для сбора жира. Откидная крышка служит для удобства обслуживания и очистки рабочего колеса. Для защиты рабочего колеса от налипаний жира перед вентилятором со стороны всасывания необходимо устанавливать жироулавливающие фильтры. Параметры фильтра определяются согласно расчетам конкретной вентиляционной сети. Вентилятор комплектуется виброизоляторами.
Особенности Тепломаш ВВ-280
- низкого давления
- одностороннего всасывания
- назад загнутые лопатки
- исполнение 1 (колесо крепится непосредственно на валу электродвигателя)
- параметры питающей сети 380 В/50 Гц
- класс защиты электродвигателя IP54
Мощность (кВт)
0.75
Производительность (м³/ч):
900-3200
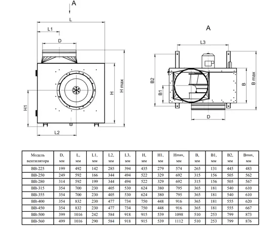
Диаметр (мм)
- 315
Производительность (м³/ч), max
3200
Частота вращения (об/мин)
3000
Макс. давление (Па)
970
Уровень шума (дБ):
75
Температура перемещаемой среды (°С)
до +120
Канал
- Круглый
Материал корпуса
Оцинкованная сталь
Шумоизоляция
Есть
Питание и защита
Напряжение (В)
380
Частота тока (Гц)
50
Сила тока (А)
1,75
Класс пылевлагозащиты
IP 54
Производитель
Бренд
Тепломаш
Родина бренда
Россия
Страна производитель
Россия
Гарантия
1 год
- Паспорт: Скачать / Посмотреть
- Описание вытяжных вентиляторов: Скачать / Посмотреть
- Сертификат: Скачать / Посмотреть
Видео о Тепломаш ВВ-280
Отзывы о Тепломаш ВВ-280 от реальных покупателей
Отзывы не найдены