Nevatom VKK-355-4Em
VKK-355-4Em круглый стальной канальный промышленный вентилятор серии Standart

Преимущества круглого канального вентилятора VKK-355-4Em
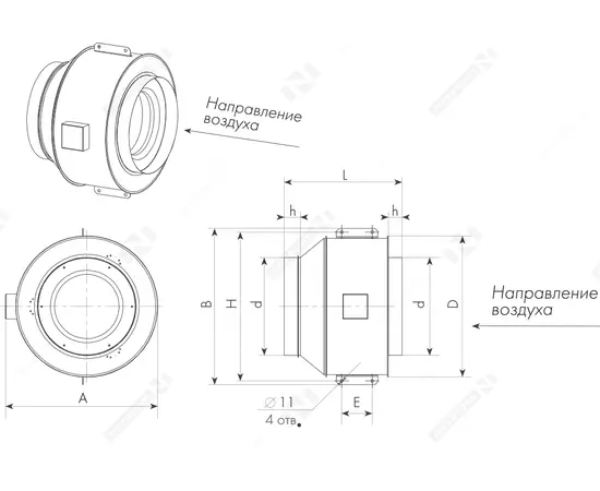
- Корпус вентилятора изготовлен из оцинкованной стали.
- Однофазные асинхронные двигатели с внешним ротором и назад загнутыми лопатками.
- Регулирование оборотов изменением подаваемого напряжения.
- Надежная защита от перегрева электродвигателя вентилятора при помощи встроенных термоконтактов с автоматическим перезапуском.
- Комплектуется кронштейном для внешнего крепления.
Условия эксплуатации вентилятора круглого канального VKK-355-4Em
Вентиляторы VKK предназначены для перемещения воздуха и других не взрывоопасных газовых смесей, агрессивность которых по отношению к углеродистым сталям обыкновенного качества не выше агрессивности воздуха, имеющих температуру от минус 30°С до плюс 40°С не содержащих липких веществ, волокнистых и абразивных материалов, с содержанием пыли и других твердых примесей не более 100мг/м 3 в условиях умеренного климата 3- ей категории размещения по ГОСТ 15150-69.
Производительность (м³/ч):
1150-2150
Диаметр (мм)
- 355
Производительность (м³/ч), max
2150
Частота вращения (об/мин)
1360
Макс. давление (Па)
255
Уровень шума (дБ):
61-72
Уровень звукового давления, канал/корпус, дБ(А)
72/61
Температура перемещаемой среды (°С)
- 30 + 40
Канал
- Круглый
Материал корпуса
Оцинкованная сталь
Регулировка скорости вращения
- Опция
Дополнительные характеристики
Набор крепежных элементов в комплекте
Да
Питание и защита
Напряжение (В)
230
Фазность
1
Частота тока (Гц)
50
Сила тока (А)
1
Потребляемая мощность (Вт)
220
Тип двигателя
АС (асинхронный)
Сетевой кабель с вилкой
Нет
Безопасность
- Встроенная тепловая защита с автоматическим перезапуском
Класс пылевлагозащиты
IP 54
Производитель
Бренд
Неватом
Серия
Standart
Родина бренда
Россия
Страна производитель
Россия
Гарантия
1,5 года
Видео о Nevatom VKK-355-4Em
С этим товаром обычно покупают:
Отзывы о Nevatom VKK-355-4Em от реальных покупателей
Отзывы не найдены