Nevatom VO 300-4E-03
Осевой вентилятор VO 300-4E-03 с настенной панелью

Компактные, малошумные осевые вентиляторы VO 300-4E-03 с настенной панелью используются для установки в системах вентиляции производственных и общественных помещений, а также холодильной техники и кондиционирования.
Осевые вентиляторы VO 300-4E-03 легко монтируются в стеновых проемах или других несущих конструкциях. Могут использоваться для отвода тепла или обдува различных технологических установок и оборудования.
Вентиляторы VO 300-4E-03 оснащены крыльчаткой с серповидными лопастями, которая имеет динамическую балансировку в двух плоскостях для достижения минимального уровня шума.
Для защиты электродвигателя от перегрева вентиляторы VO 300-4E-03 оборудованы встроенными термоконтактами.
Вентиляторы осевой конструкции VO 300-4E-03 с настенной панелью имеют следующие преимущества
- Малая монтажная ширина.
- Встроенные термоконтакт.
- Регулировка скорости вращения.
- Не требуют обслуживания и надежны в работе
Условия эксплуатации осевого вентилятора VO 300-4E-03 с настенной панелью
Вентиляторы осевые VO предназначены для перемещения невзрывоопасного газа с температурой не выше 75 °С, содержащего твердые примеси не более 100 мг/м3, не содержащего липких веществ и волокнистых материалов, в условиях умеренного климата 2-ой категории размещения по ГОСТ 15150-69, с температурой окружающей среды до плюс 40 °С.
Вентиляторы VO изготавливаются по ТУ 4861-001-58769768-2014
Гарантийный срок эксплуатации 18 месяцев.
Производительность (м³/ч):
1900
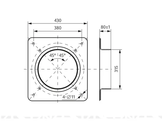
Диаметр (мм)
- 300
Производительность (м³/ч), max
1900
Частота вращения (об/мин)
1370
Макс. давление (Па)
60
Уровень шума (дБ):
55
Температура перемещаемой среды (°С)
- 25 + 65
Серия
С настенной панелью
Материал корпуса
Сталь с полимерным покрытием
Материал крыльчатки
Сталь покрытая эмалью
Регулировка скорости вращения
- Опция
Питание и защита
Напряжение (В)
230
Фазность
1
Частота тока (Гц)
50
Сила тока (А)
0,38
Потребляемая мощность (Вт)
90
Класс пылевлагозащиты
IP 54
Производитель
Бренд
Неватом
Родина бренда
Россия
Страна производитель
Россия
Гарантия
1,5 года
Видео о Nevatom VO 300-4E-03
С этим товаром обычно покупают:
Отзывы о Nevatom VO 300-4E-03 от реальных покупателей
Отзывы не найдены
| Артикул | Диаметр | Питание | Серия | Цена | ||
|---|---|---|---|---|---|---|
|
|
2143
|
23 688 ₽ | ||||
|
|
2141
|
14 499 ₽ | ||||
|
|
2146
|
35 847 ₽ | ||||
|
|
2115
|
12 483 ₽ | ||||
|
|
2133
|
15 777 ₽ | ||||
|
|
2131
|
14 715 ₽ | ||||
|
|
2132
|
11 898 ₽ | ||||
|
|
2147
|
45 396 ₽ | ||||
|
|
2136
|
23 049 ₽ | ||||
|
|
2149
|
56 151 ₽ | ||||
|
|
2128
|
9 666 ₽ | ||||
|
|
2122
|
36 468 ₽ | ||||
|
|
2130
|
10 467 ₽ | ||||
|
|
2137
|
26 280 ₽ | ||||
|
|
2126
|
56 151 ₽ | ||||
|
|
2118
|
21 195 ₽ | ||||
|
|
2119
|
24 372 ₽ | ||||
|
|
2120
|
24 372 ₽ | ||||
|
|
2125
|
45 396 ₽ | ||||
|
|
2145
|
35 847 ₽ | ||||
|
|
2142
|
20 493 ₽ | ||||
|
|
2138
|
34 353 ₽ | ||||
|
|
2117
|
16 947 ₽ | ||||
|
|
2140
|
14 130 ₽ | ||||
|
|
2116
|
14 760 ₽ | ||||
|
|
3675
|
45 396 ₽ | ||||
|
|
2121
|
28 197 ₽ | ||||
|
|
2135
|
23 049 ₽ | ||||
|
|
2150
|
56 151 ₽ | ||||
|
|
2144
|
27 612 ₽ | ||||
|
|
2123
|
36 468 ₽ | ||||
|
|
2124
|
45 396 ₽ | ||||
|
|
2127
|
56 151 ₽ | ||||
|
|
2139
|
34 353 ₽ | ||||
|
|
2134
|
16 569 ₽ | ||||
|
|
2129
|
10 089 ₽ | ||||
|
|
RG36XE
|
28 197 ₽ | ||||
|
|
3881
|
Уточнить наличие и цену данного товара: info@ventcub.ru или +7(3952) 94-32-22 |
