Nevatom VO 400-4E-01

Осевой вентилятор VO 400-4E-01 фланцевый промышленный
Написать отзыв
Задать вопрос
2120
В наличии
Фланцевые
Диаметр (мм)400 Производительность (м³/ч), max3700 Потребляемая мощность (Вт)180 Напряжение (В)220 Макс. давление (Па)160 Уровень шума (дБ):67 БрендНеватом Гарантия1,5 года
Осевой вентилятор VO 400-4E-01 фланцевый промышленный

Все характеристики

27 080 
24 372 
Вы экономите: 2 708 ₽
+
Отложить
Есть вопросы или нужен счёт?
Наши преимущества
  • - Официальный дилер более 110 брендов
  • - Только оригинальная заводская продукция
  • - Прямые поставки без посредников
  • - Рекомендованные цены производителя
  • - Официальная заводская гарантия
  • - Более 55 000 позиций в наличии и под заказ
  • - Технический паспорт, сертификат
  • - Возврат и обмен
Варианты оплаты
Доставка

Осевой вентилятор фланцевый VO 400-4E-01

 

Осевой вентилятор VO 400-4E-01 фланцевыйКорпус осевого вентилятора VO 400-4E-01 выполнен из оцинкованной стали с полимерным покрытием, с расположенными с двух сторон монтажными фланцами.

 

Вентиляторы осевой конструкции VO 400-4E-01 на фланцах имеют следующие преимущества

  • компактность, малую монтажную ширину;
  • возможность регулировки числа оборотов;
  • малый уровень шума за счет динамической балансировки лопастей.

Предлагаемые осевые вентиляторы на фланцах (фланцевого исполнения) VO 400-4E-01 могут использоваться для отвода тепла или обдува различных технологических установок.

Они предназначены для перемещения невзрывоопасных газов с максимальной температурой до +75 градусов Цельсия.

Производительность (м³/ч):
3700
Диаметр (мм)
  • 400
Производительность (м³/ч), max
3700
Частота вращения (об/мин)
1350
Макс. давление (Па)
160
Уровень шума (дБ):
67
Температура перемещаемой среды (°С)
- 25 + 65
Серия
Фланцевые
Материал корпуса
Сталь с полимерным покрытием
Материал крыльчатки
Сталь покрытая эмалью
Регулировка скорости вращения
  • Опция
Питание и защита
Напряжение (В)
230
Фазность
1
Частота тока (Гц)
50
Сила тока (А)
0,81
Потребляемая мощность (Вт)
180
Класс пылевлагозащиты
IP 54
Габариты и вес
Вес (кг)
9,5
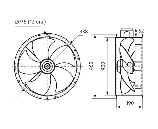
Габариты прибора (мм)
465х465х190
Производитель
Бренд
Неватом
Родина бренда
Россия
Страна производитель
Россия
Гарантия
1,5 года
Найти похожие

 

Видео о Nevatom VO 400-4E-01

    

С этим товаром обычно покупают:
1
2608
Симисторный регулятор скорости SRM 1A (поверхностный монтаж)
ТипСимисторный
5 580 
В наличии
+
2614
Симисторный регулятор скорости SRM-S 1A (скрытый монтаж)
ТипСимисторный
5 370 
В наличии
+
4
НС-0084730n
Плавный регулятор скорости в корпусе Shuft SRE-2,5 для однофазных вентиляторов
ТипТиристорный
2 250 
В наличии
+

Отзывы о Nevatom VO 400-4E-01 от реальных покупателей

Отзывы не найдены

  Артикул Диаметр Питание Серия Цена  
VO 400-4E-03, Диаметр: 400 мм, Питание: 220 В (1Ф), Серия: С настенной панелью
2143
400 мм 220 В (1Ф) С настенной панелью 23 688 
+
VO 300-4E-03, Диаметр: 300 мм, Питание: 220 В (1Ф), Серия: С настенной панелью
2141
300 мм 220 В (1Ф) С настенной панелью 14 499 
+
VO 500-4E-03, Диаметр: 500 мм, Питание: 220 В (1Ф), Серия: С настенной панелью
2146
500 мм 220 В (1Ф) С настенной панелью 35 847 
+
VO 200-4E-01, Диаметр: 200 мм, Питание: 220 В (1Ф), Серия: Фланцевые
2115
200 мм 220 В (1Ф) Фланцевые 12 483 
+
VO 400-4E-02, Диаметр: 400 мм, Питание: 220 В (1Ф), Серия: С защитной решёткой
2133
400 мм 220 В (1Ф) С защитной решёткой 15 777 
+
VO 350-4E-02, Диаметр: 350 мм, Питание: 220 В (1Ф), Серия: С защитной решёткой
2131
350 мм 220 В (1Ф) С защитной решёткой 14 715 
+
VO 200-4E-03, Диаметр: 200 мм, Питание: 220 В (1Ф), Серия: С настенной панелью
2132
200 мм 220 В (1Ф) С настенной панелью 11 898 
+
VO 560-4E-03, Диаметр: 560 мм, Питание: 220 В (1Ф), Серия: С настенной панелью
2147
560 мм 220 В (1Ф) С настенной панелью 45 396 
+
VO 500-4E-02, Диаметр: 500 мм, Питание: 220 В (1Ф), Серия: С защитной решёткой
2136
500 мм 220 В (1Ф) С защитной решёткой 23 049 
+
VO 630-4D-03, Диаметр: 630 мм, Питание: 380 В (3Ф), Серия: С настенной панелью
2149
630 мм 380 В (3Ф) С настенной панелью 56 151 
+
VO 200-4E-02, Диаметр: 200 мм, Питание: 220 В (1Ф), Серия: С защитной решёткой
2128
200 мм 220 В (1Ф) С защитной решёткой 9 666 
+
VO 500-4D-01, Диаметр: 500 мм, Питание: 380 В (3Ф), Серия: Фланцевые
2122
500 мм 380 В (3Ф) Фланцевые 36 468 
+
VO 300-4E-02, Диаметр: 300 мм, Питание: 220 В (1Ф), Серия: С защитной решёткой
2130
300 мм 220 В (1Ф) С защитной решёткой 10 467 
+
VO 560-4E-02, Диаметр: 560 мм, Питание: 220 В (1Ф), Серия: С защитной решёткой
2137
560 мм 220 В (1Ф) С защитной решёткой 26 280 
+
VO 630-4D-01, Диаметр: 630 мм, Питание: 380 В (3Ф), Серия: Фланцевые
2126
630 мм 380 В (3Ф) Фланцевые 56 151 
+
VO 350-4E-01, Диаметр: 350 мм, Питание: 220 В (1Ф), Серия: Фланцевые
2118
350 мм 220 В (1Ф) Фланцевые 21 195 
+
VO 400-4D-01, Диаметр: 400 мм, Питание: 380 В (3Ф), Серия: Фланцевые
2119
400 мм 380 В (3Ф) Фланцевые 24 372 
+
VO 400-4E-01, Диаметр: 400 мм, Питание: 220 В (1Ф), Серия: Фланцевые
2120
400 мм 220 В (1Ф) Фланцевые 24 372 
+
VO 560-4E-01, Диаметр: 560 мм, Питание: 220 В (1Ф), Серия: Фланцевые
2125
560 мм 220 В (1Ф) Фланцевые 45 396 
+
VO 500-4D-03, Диаметр: 500 мм, Питание: 380 В (3Ф), Серия: С настенной панелью
2145
500 мм 380 В (3Ф) С настенной панелью 35 847 
+
Nevatom VO 350-4E-03, Диаметр: 350 мм, Питание: 220 В (1Ф), Серия: С настенной панелью
2142
350 мм 220 В (1Ф) С настенной панелью 20 493 
+
VO 300-4E-01, Диаметр: 300 мм, Питание: 220 В (1Ф), Серия: Фланцевые
2117
300 мм 220 В (1Ф) Фланцевые 16 947 
+
VO 630-4D-02, Диаметр: 630 мм, Питание: 380 В (3Ф), Серия: С защитной решёткой
2138
630 мм 380 В (3Ф) С защитной решёткой 34 353 
+
VO 250-4E-03, Диаметр: 250 мм, Питание: 220 В (1Ф), Серия: С настенной панелью
2140
250 мм 220 В (1Ф) С настенной панелью 14 130 
+
VO 250-4E-01, Диаметр: 250 мм, Питание: 220 В (1Ф), Серия: Фланцевые
2116
250 мм 220 В (1Ф) Фланцевые 14 760 
+
VO 560-4D-03, Диаметр: 560 мм, Питание: 380 В (3Ф), Серия: С настенной панелью
3675
560 мм 380 В (3Ф) С настенной панелью 45 396 
+
VO 450-4D-01, Диаметр: 450 мм, Питание: 380 В (3Ф), Серия: Фланцевые
2121
450 мм 380 В (3Ф) Фланцевые 28 197 
+
VO 500-4D-02, Диаметр: 500 мм, Питание: 380 В (3Ф), Серия: С защитной решёткой
2135
500 мм 380 В (3Ф) С защитной решёткой 23 049 
+
VO 630-4E-03, Диаметр: 630 мм, Питание: 220 В (1Ф), Серия: С настенной панелью
2150
630 мм 220 В (1Ф) С настенной панелью 56 151 
+
VO 450-4E-03, Диаметр: 450 мм, Питание: 220 В (1Ф), Серия: С настенной панелью
2144
450 мм 220 В (1Ф) С настенной панелью 27 612 
+
VO 500-4E-01, Диаметр: 500 мм, Питание: 220 В (1Ф), Серия: Фланцевые
2123
500 мм 220 В (1Ф) Фланцевые 36 468 
+
VO 560-4D-01, Диаметр: 560 мм, Питание: 380 В (3Ф), Серия: Фланцевые
2124
560 мм 380 В (3Ф) Фланцевые 45 396 
+
VO 630-4E-02, Диаметр: 630 мм, Питание: 220 В (1Ф), Серия: С защитной решёткой
2139
630 мм 220 В (1Ф) С защитной решёткой 34 353 
+
VO 630-4E-01, Диаметр: 630 мм, Питание: 220 В (1Ф), Серия: Фланцевые
2127
630 мм 220 В (1Ф) Фланцевые 56 151 
+
VO 450-4E-02, Диаметр: 450 мм, Питание: 220 В (1Ф), Серия: С защитной решёткой
2134
450 мм 220 В (1Ф) С защитной решёткой 16 569 
+
VO 250-4E-02, Диаметр: 250 мм, Питание: 220 В (1Ф), Серия: С защитной решёткой
2129
250 мм 220 В (1Ф) С защитной решёткой 10 089 
+
VO 450-4E-01-B, Диаметр: 450 мм, Питание: 220 В (1Ф), Серия: Фланцевые
RG36XE
450 мм 220 В (1Ф) Фланцевые 28 197 
+
VO 400-4D-03, Диаметр: 400 мм, Питание: 380 В (3Ф), Серия: С настенной панелью
3881
400 мм 380 В (3Ф) С настенной панелью Уточнить наличие и цену данного товара: info@ventcub.ru или +7(3952) 94-32-22
Возможно, вас это заинтересует
  • Похожие товары
  • Недавно просмотренные
Доставка по Иркутску, Иркутской области и России.

Бесплатная доставка по Иркутску и до транспортной компании от 5 000 руб.

Официальный представитель более 110 брендов.

Прямые поставки без посредников, низкие цены и официальная гарантия производителя.

Более 55 000 позиций в наличии и под заказ.

Технический паспорт, сертификаты. Работаем по ЭДО. Персональный менеджер. Корректный подбор оборудования.