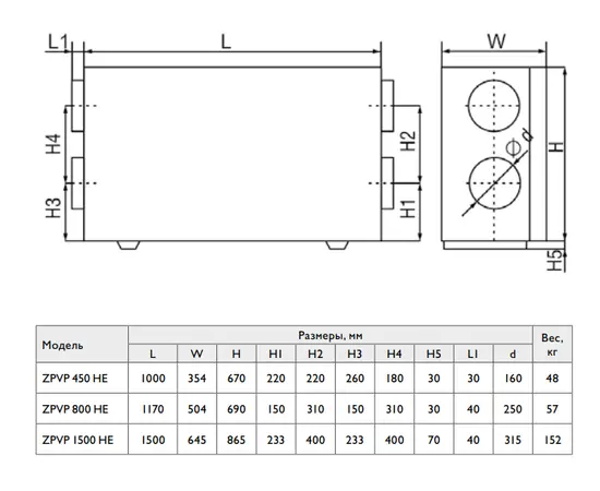
Zilon ZPVP 800 HE
Приточно-вытяжная установка Zilon ZPVP 800 HE горизонтальное исполнения

Установки серии ZPVP H представляют собой моноблочную компактную приточно-вытяжную установку с пластинчатым рекуператором, электрическим (ZPVP HE) и водяным (ZPVP HW) нагревателями.
Установки с рекуперацией тепла очищают, нагревают и подают свежий воздух. Установки извлекают тепло у вытяжного воздуха и передают его поступающему воздуху. Эффективность рекуперации 55-75%. Имеется защита от замерзания. Установки используются только в системах вентиляции.
Корпус выполнен из листовой оцинкованной стали. Звуко-теплоизоляция корпуса толщиной 50 мм из базальтовой минеральной ваты.
Вентиляторы производительные. Защита двигателей вентиляторов осуществляется встроенными термоконтактами с автоматическим перезапуском.
Компактные приточно-вытяжные установки ZPVP H имеют встроенную систему автоматики, установленную и настроенную в заводских условиях.
Особенности приточно-вытяжной установки Zilon ZPVP 800 HE горизонтальное исполнения
- Звуко- и теплоизолированный корпус
- Энергоэффективное решение
- Удобные крепления на корпусе установки
- Высокая надежность
- Горизонтальный или вертикальный монтаж установки
- Высокое качество
Основные функции систем автоматики
- Метров воздуха (температура и влажность уличного воздуха, температура приточного, вытяжного и выбрасываемо
- Регулирование скорости вентиляторов
- Регулирование температуры приточного воздуха
- Двухуровневая защита от замерзания рекуператора
- Контроль аварийных ситуаций (пожарная сигнализация, загрязнение фильтров, термозащита нагревателей и т.п.)
- Контроль текущих параметров воздуха (температура и влажность уличного воздуха, температура приточного, вытяжного и выбрасываемого воздуха
- Управление приводами воздушных клапанов
- Электрический
- Круглый
- Пульт
- Горизонтальная
- Подвесная
Видео о Zilon ZPVP 800 HE
Отзывы о Zilon ZPVP 800 HE от реальных покупателей
Отзывы не найдены
| Артикул | Мощность нагревателя (кВт) | Производительность (м³/ч) | Цена | ||
|---|---|---|---|---|---|
|
|
НС-1152161BR
|
390 339 ₽ | |||
|
|
НС-1152166BR
|
239 549 ₽ | |||
|
|
НС-1172044BR
|
596 240 ₽ | |||
|
|
НС-1152469BR
|
311 856 ₽ | |||
|
|
НС-1152167BR
|
394 992 ₽ | |||
|
|
НС-1152470BR
|
416 646 ₽ | |||
|
|
НС-1172048BR
|
411 816 ₽ | |||
|
|
НС-1152468BR
|
303 140 ₽ | |||
|
|
НС-1172046BR
|
528 696 ₽ | |||
|
|
НС-1172050BR
|
559 503 ₽ |
