BVM BLE230-10 (230В, 10 Нм)
Электрический привод BVM BLE230-10 (230В, 10 Нм) дымоудаления реверсивного типа

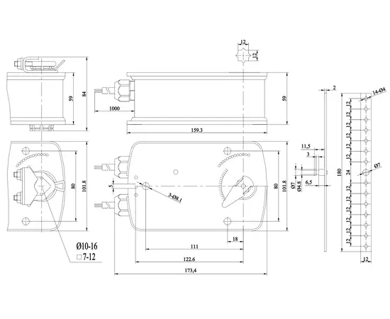
Этот электропривод дымоудаления BVM (БВМ) BLE230-10 (230В, 10 Нм) специально разработан для малых и средних конечных клапанов дымоудаления и блоков управления .
Электроприводы дымоудаления реверсивного типа BLE230-10 от компании BVM, в зависимости от подаваемого на них сигнала, изменяют направление вращения заслонки. Рассчитаны для работы с нормально открытыми, а также нормально закрытыми противопожарными клапанами. Не зависят от источников питания, работают даже при прекращении подачи питания, так как заслонка может быть возвращена в исходное положение ручным способом или дистанционно с пульта управления, что является очень важным фактором для противопожарного оборудования. Концевые выключатели BLE230-10 обеспечивают передачу информации на автоматическую систему о крайнем положении лопатки в клапане, задерживающем огонь.
Особенности электроприводов BVM BLE230-10 (230В, 10 Нм)
- Крутящий момент - 10 Нм
- Рабочее напряжение - AC/DC230V
ОБРАТИТЕ ВНИМАНИЕ ПРИ ПОКУПКЕ: Производитель вправе менять комплектацию, конструкцию и характеристики, не влияющие на качество конечного продукта, заявленного в паспорте.
Назначение
- Дымоудаления 400
Возвратная пружина
Пружина обеспечивает аварийное открытие или закрытие клапана для защиты оборудования при отсутствии электропитания
Нет
Момент вращения (Нм)
10
Тип управления
- 2-х позиционное
- 3-х позиционное
Размер клапана/заслонки (м²)
1,5
Ресурс (вращения)
70000
Угол ограничения
макс. 95°
Угол срабатывания концевых выключателей
5° - 80°
Потребляемая мощность при работе (Вт)
5
Потребляемая мощность при удержании (Вт)
1
Вспомогательный переключатель
1mA…3(1.5)A, AC250V
Температурный диапазон эксплуатации (°C)
- 30 ~ + 60
Влажность воздуха (RH)
5% - 95%
Питание и защита
Напряжение (В)
230
Частота тока (Гц)
50-60
Класс пылевлагозащиты
IP 54
Производитель
Бренд
BVM
Серия
BLE
Родина бренда
Россия
Страна производитель
Китай
Гарантия
5 лет
Видео о BVM BLE230-10 (230В, 10 Нм)
Отзывы о BVM BLE230-10 (230В, 10 Нм) от реальных покупателей
Отзывы не найдены
