BVM BLE230-15 (230В, 15 Нм)
Электрический привод BVM BLE230-15 (230В, 15 Нм) дымоудаления реверсивного типа

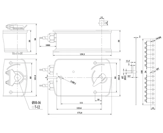
Электропривод BVM (БВМ) BLE230-15 (230В, 15 Нм) - это надежный и долговечный электропривод для клапанов дымоудаления, предназначенный для монтажа в системах вентиляции и кондиционирования.
Оборудование подключается к стандартной линии питания переменного тока 230 В, 50/60 Гц, что позволяет использовать привод BLE230-15 в любом здании и сооружении вне зависимости от его назначения. Низкий уровень шума активного оборудования в 45 Дб делает возможным его установку в помещениях с повышенными требованиями к уровню шумности, а крутящего момента в 15 Нм более чем достаточно для поворота 12 см заслонки на угол в 95° всего за 30 секунд.
Привод для дымового клапана BLE230-15 с реверсивным возвратом также отличается энергоэффективностью – потребляемая мощность устройства в активном состоянии и в режиме удержания заслонки составляет 5 и 1 Вт соответственно. Электропривод BLE230-15 рассчитан на функционирование в связке с контроллером, управляющий сигнал – 2/3 позиционный. Обладает пылевлагозащищенным корпусом (IP54), рассчитан на эксплуатацию в диапазоне температур от -30 до +60 °C и относительной влажности воздуха 5-95% без образования конденсата.
Особенности электроприводов BVM BLE230-15 (230В, 15 Нм)
- Крутящий момент - 15 Нм
- Рабочее напряжение - AC/DC230V
ОБРАТИТЕ ВНИМАНИЕ ПРИ ПОКУПКЕ: Производитель вправе менять комплектацию, конструкцию и характеристики, не влияющие на качество конечного продукта, заявленного в паспорте.
Назначение
- Дымоудаления 400
Возвратная пружина
Пружина обеспечивает аварийное открытие или закрытие клапана для защиты оборудования при отсутствии электропитания
Нет
Момент вращения (Нм)
15
Тип управления
- 2-х позиционное
- 3-х позиционное
Размер клапана/заслонки (м²)
3
Время срабатывания (сек)
30
Ресурс (вращения)
70000
Угол ограничения
макс. 95°
Угол срабатывания концевых выключателей
5° - 80°
Потребляемая мощность при работе (Вт)
5
Потребляемая мощность при удержании (Вт)
1
Вспомогательный переключатель
1mA…3(1.5)A, AC250V
Температурный диапазон эксплуатации (°C)
- 30 ~ + 60
Влажность воздуха (RH)
5% - 95%
Питание и защита
Напряжение (В)
230
Частота тока (Гц)
50-60
Класс пылевлагозащиты
IP 54
Производитель
Бренд
BVM
Серия
BLE
Родина бренда
Россия
Страна производитель
Китай
Гарантия
5 лет
Видео о BVM BLE230-15 (230В, 15 Нм)
Отзывы о BVM BLE230-15 (230В, 15 Нм) от реальных покупателей
Отзывы не найдены
