BVM BLE24-15 (24В, 15 Нм)
Электрический привод BVM BLE24-15 (24В, 15 Нм) дымоудаления реверсивного типа

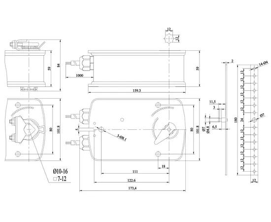
Электропривод BVM (БВМ) BLE24-15 (24В, 15 Нм) - дымоудаления реверсивного типа для работы с нормально открытыми и нормально закрытыми противопожарными клапанами.
Электроприводы дымоудаления реверсивного типа от компании BVM, в зависимости от подаваемого на них сигнала, изменяют направление вращения заслонки. Рассчитаны для работы с нормально открытыми, а также нормально закрытыми противопожарными клапанами. Не зависят от источников питания, работают даже при прекращении подачи питания, так как заслонка может быть возвращена в исходное положение ручным способом или дистанционно с пульта управления, что является очень важным фактором для противопожарного оборудования. Концевые выключатели обеспечивают передачу информации на автоматическую систему о крайнем положении лопатки в клапане, задерживающем огонь.
Особенности электроприводов BVM BLE24-15 (24В, 15 Нм)
- Крутящий момент - 15 Нм
- Рабочее напряжение - AC/DC24V
ОБРАТИТЕ ВНИМАНИЕ ПРИ ПОКУПКЕ: Производитель вправе менять комплектацию, конструкцию и характеристики, не влияющие на качество конечного продукта, заявленного в паспорте.
Назначение
- Дымоудаления 400
Возвратная пружина
Пружина обеспечивает аварийное открытие или закрытие клапана для защиты оборудования при отсутствии электропитания
Нет
Момент вращения (Нм)
15
Тип управления
- 2-х позиционное
- 3-х позиционное
Размер клапана/заслонки (м²)
3
Время срабатывания (сек)
30
Ресурс (вращения)
70000
Угол ограничения
макс. 95°
Угол срабатывания концевых выключателей
5° - 80°
Потребляемая мощность при работе (Вт)
5
Потребляемая мощность при удержании (Вт)
1
Вспомогательный переключатель
1mA…3(1.5)A, AC250V
Температурный диапазон эксплуатации (°C)
- 30 ~ + 60
Влажность воздуха (RH)
5% - 95%
Питание и защита
Напряжение (В)
24
Частота тока (Гц)
50-60
Класс пылевлагозащиты
IP 54
Производитель
Бренд
BVM
Серия
BLE
Родина бренда
Россия
Страна производитель
Китай
Гарантия
5 лет
Видео о BVM BLE24-15 (24В, 15 Нм)
Отзывы о BVM BLE24-15 (24В, 15 Нм) от реальных покупателей
Отзывы не найдены
