BVM BLF24-05 (24В, 5 Нм)
Электрический привод BVM BLF24-05 (24В, 5 Нм) для противопожарных клапанов с возвратной пружиной

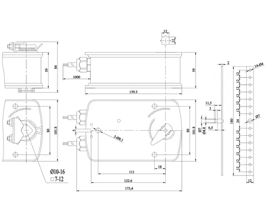
Особенности электроприводов BVM BLF24-05 (24В, 5 Нм)
- Крутящий момент - 5 Нм
- Рабочее напряжение - AC/DC24V
В комплекте: 1 ручка взвода электропривода для изменения положения оси привода относительно оси воздушной заслонки, 1 ключ для фиксации оси привода в промежуточном положении, 1 кронштейн и 2 винта для крепления электропривода на воздушную заслонку, паспорт на изделие.
ОБРАТИТЕ ВНИМАНИЕ ПРИ ПОКУПКЕ: Производитель вправе менять комплектацию, конструкцию и характеристики, не влияющие на качество конечного продукта, заявленного в паспорте.
- Для противопожарных клапанов
Пружина обеспечивает аварийное открытие или закрытие клапана для защиты оборудования при отсутствии электропитания
- 2-х позиционное
Видео о BVM BLF24-05 (24В, 5 Нм)
Отзывы о BVM BLF24-05 (24В, 5 Нм) от реальных покупателей
Отзывы не найдены
