BVM BLF24-05-T (24В, 5 Нм)
Электрический привод BVM BLF24-05-T (24В, 5 Нм) для противопожарных клапанов с термодатчиком

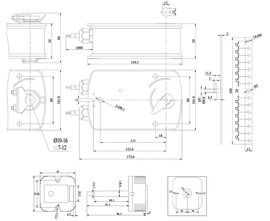
Этот противопожарный и дымовой привод BVM (БВМ) BLF24-05-T (24В, 5 Нм) - Этот противопожарный и дымовой привод с пружинным возвратом специально разработан для малых и средних оконечных воздушных заслонок и блоков управления системой подачи воздуха. Он часто используется в местах с ограниченным пространством из-за его небольшого размера и гибкости управления
Особенности электроприводов BVM BLF24-05-T (24В, 5 Нм)
- Крутящий момент - 5 Нм
- Рабочее напряжение - AC/DC24V
В комплекте: кронштейн и 2 винта для крепления привода на заслонку, ручка взвода привода, паспорт изделия.
ОБРАТИТЕ ВНИМАНИЕ ПРИ ПОКУПКЕ: Производитель вправе менять комплектацию, конструкцию и характеристики, не влияющие на качество конечного продукта, заявленного в паспорте.
Назначение
- Для противопожарных клапанов
Возвратная пружина
Пружина обеспечивает аварийное открытие или закрытие клапана для защиты оборудования при отсутствии электропитания
Да
Момент вращения (Нм)
5
Тип управления
- 2-х позиционное
Размер клапана/заслонки (м²)
1
Время срабатывания (сек)
20 - 70
Ресурс (вращения)
70000
Угол ограничения
макс. 95°
Угол срабатывания концевых выключателей
5° - 80°
Потребляемая мощность при работе (Вт)
5
Потребляемая мощность при удержании (Вт)
3
Вспомогательный переключатель
1mA…3(1.5)A, AC250V
Температурный диапазон эксплуатации (°C)
- 20 ~ + 50
Влажность воздуха (RH)
5% - 95%
Питание и защита
Напряжение (В)
24
Частота тока (Гц)
50-60
Класс пылевлагозащиты
IP 54
Производитель
Бренд
BVM
Серия
BLF
Родина бренда
Россия
Страна производитель
Китай
Гарантия
5 лет
Видео о BVM BLF24-05-T (24В, 5 Нм)
Отзывы о BVM BLF24-05-T (24В, 5 Нм) от реальных покупателей
Отзывы не найдены
